ГОСТ 9.903-2024 Единая система защиты от коррозии и старения. Стали и сплавы высокопрочные. Методы ускоренных испытаний на коррозионное растрескивание

Категории ГОСТ 9.903-2024 по ОКС:
Статус документа:
действует, введён в действие 01.07.2025
Название на английском языке:
Unified system of corrosion and ageing protection. High-strength steels and alloys. Accelerated test methods for corrosion cracking
Дата актуализации информации по стандарту:
26.08.2025, в 18:41 (менее 3 месяцев назад)
Вид стандарта:
временно не известен
Дата начала действия ГОСТа:
2025-07-01
Дата последнего издания документа:
2024-10-31
Число страниц:
25
Назначение ГОСТ 9.903-2024:
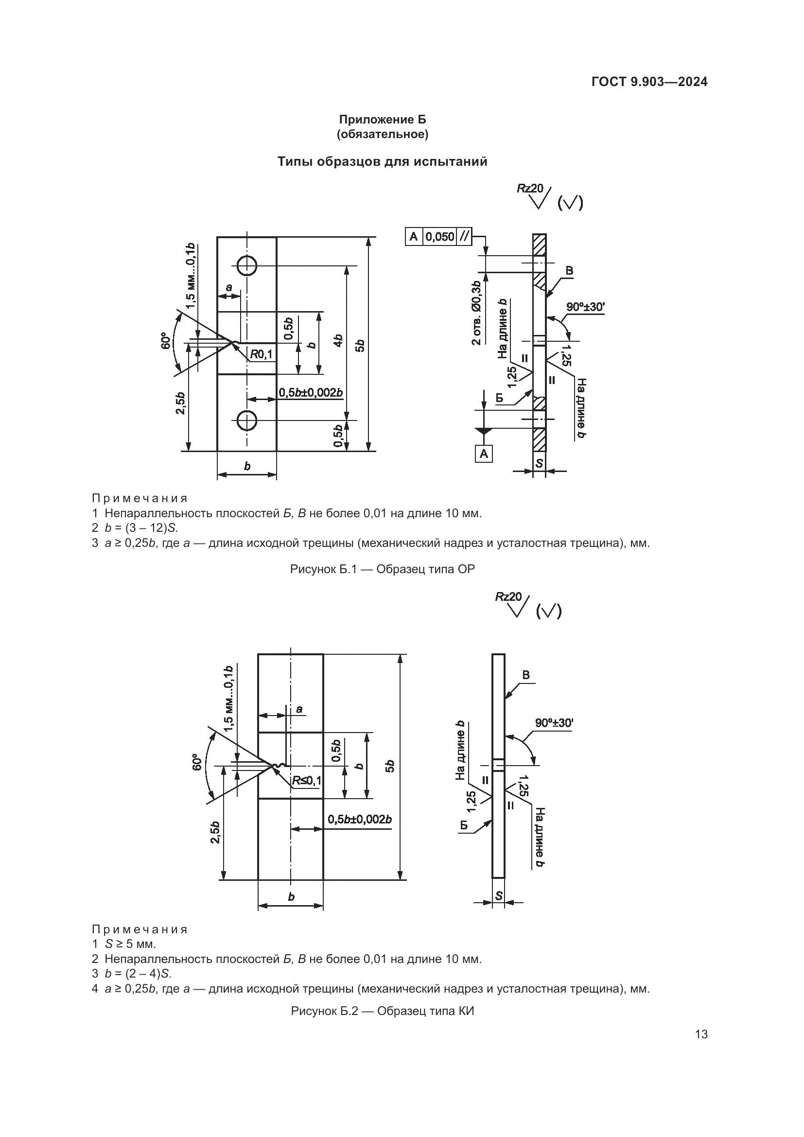
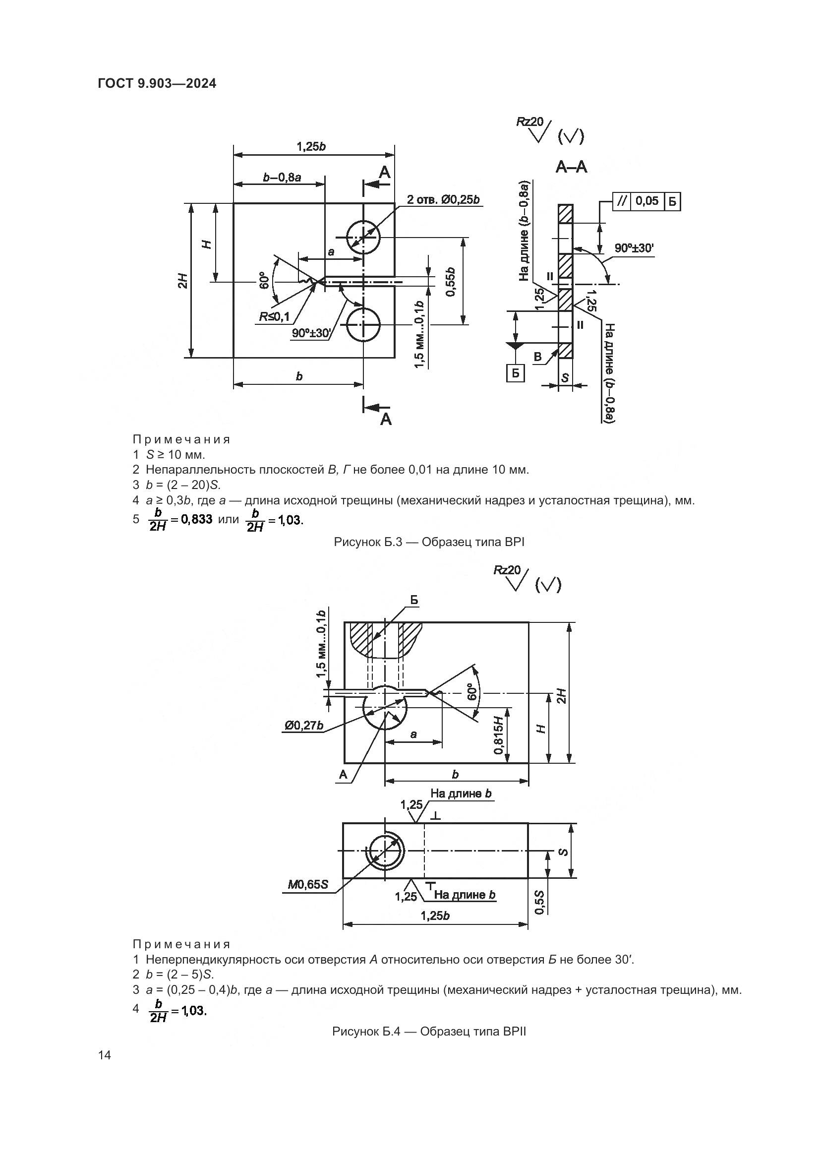
Настоящий стандарт распространяется на высокопрочные стали и титановые сплавы (далее – материалы) и устанавливает методы ускоренных испытаний на коррозионное растрескивание образцов с предварительно созданными усталостными трещинами
Документ принят орг-ей:
Межгосударственный Совет по стандартизации метрологии и сертификации, протокол №177-П
Ключевые слова документа:
коррозионная среда, коррозионное растрескивание, коэффициент интенсивности напряжений, методы, стали и сплавы высокопрочные, титановые сплавы, укоренные испытания, усталостные трещины

Скачать ГОСТ 9.903-2024 вы можете в следующих версиях:

В данный момент версий документа для скачивания не добавлено.

Мы стараемся пополнять базу документов еженедельно и из разных источников, в обозримом будущем версии для этого ГОСТа появятся.

Вы можете просмотреть online текст стандарта ГОСТ 9.903-2024

Просмотреть текст ГОСТ 9.903-2024

Поправки и изменения к ГОСТ 9.903-2024:

  • Наименование, вид:
    Дата
    регистрации:
    начала действия:
  • Поправка к ГОСТ 9.903-2024

    Тип изменения: Поправка
    Номер изменения:
    Регистрационный номер: -

    2025-05-26
    2025-06-09

Текст стандарта

  • ГОСТ 9.903-2024, страница 1 страница 1
  • ГОСТ 9.903-2024, страница 2 страница 2
  • ГОСТ 9.903-2024, страница 3 страница 3
  • ГОСТ 9.903-2024, страница 4 страница 4
  • ГОСТ 9.903-2024, страница 5 страница 5
  • ГОСТ 9.903-2024, страница 6 страница 6
  • ГОСТ 9.903-2024, страница 7 страница 7
  • ГОСТ 9.903-2024, страница 8 страница 8
  • ГОСТ 9.903-2024, страница 9 страница 9
  • ГОСТ 9.903-2024, страница 10 страница 10
  • ГОСТ 9.903-2024, страница 11 страница 11
  • ГОСТ 9.903-2024, страница 12 страница 12
  • ГОСТ 9.903-2024, страница 13 страница 13
  • ГОСТ 9.903-2024, страница 14 страница 14
  • ГОСТ 9.903-2024, страница 15 страница 15
  • ГОСТ 9.903-2024, страница 16 страница 16
  • ГОСТ 9.903-2024, страница 17 страница 17
  • ГОСТ 9.903-2024, страница 18 страница 18
  • ГОСТ 9.903-2024, страница 19 страница 19
  • ГОСТ 9.903-2024, страница 20 страница 20
  • ГОСТ 9.903-2024, страница 21 страница 21
  • ГОСТ 9.903-2024, страница 22 страница 22
  • ГОСТ 9.903-2024, страница 23 страница 23
  • ГОСТ 9.903-2024, страница 24 страница 24
  • ГОСТ 9.903-2024, страница 25 страница 25