ГОСТ Р 71732-2024 Оптика и фотоника. Патроны центрировочные. Конструкция

Категории ГОСТ Р 71732-2024 по ОКС:
Статус документа:
принят, введён в действие 01.09.2025
Название на английском языке:
Optics and photonics. Centering chucks. Construction
Дата актуализации информации по стандарту:
26.08.2025, в 19:45 (менее 3 месяцев назад)
Вид стандарта:
временно не известен
Дата начала действия ГОСТа:
2025-09-01
Число страниц:
20
Назначение ГОСТ Р 71732-2024:
не указано
Нормативные ссылки, связанные с ГОСТ Р 71732-2024:

Скачать ГОСТ Р 71732-2024 вы можете в следующих версиях:

В данный момент версий документа для скачивания не добавлено.

Мы стараемся пополнять базу документов еженедельно и из разных источников, в обозримом будущем версии для этого ГОСТа появятся.

Вы можете просмотреть online текст стандарта ГОСТ Р 71732-2024

Просмотреть текст ГОСТ Р 71732-2024

Текст стандарта

  • ГОСТ Р 71732-2024, страница 1 страница 1
  • ГОСТ Р 71732-2024, страница 2 страница 2
  • ГОСТ Р 71732-2024, страница 3 страница 3
  • ГОСТ Р 71732-2024, страница 4 страница 4
  • ГОСТ Р 71732-2024, страница 5 страница 5
  • ГОСТ Р 71732-2024, страница 6 страница 6
  • ГОСТ Р 71732-2024, страница 7 страница 7
  • ГОСТ Р 71732-2024, страница 8 страница 8
  • ГОСТ Р 71732-2024, страница 9 страница 9
  • ГОСТ Р 71732-2024, страница 10 страница 10
  • ГОСТ Р 71732-2024, страница 11 страница 11
  • ГОСТ Р 71732-2024, страница 12 страница 12
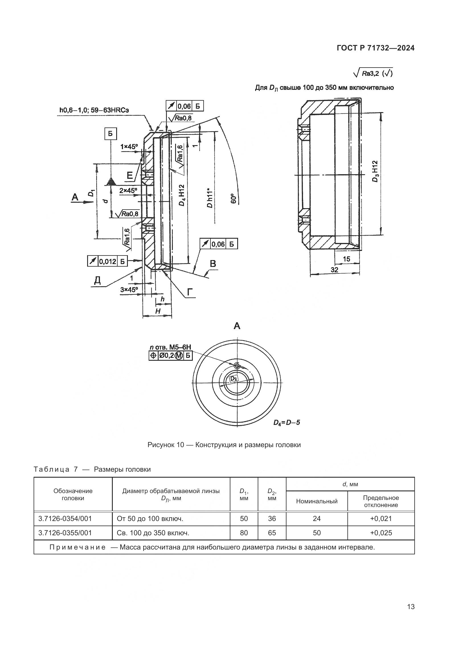
  • ГОСТ Р 71732-2024, страница 13 страница 13
  • ГОСТ Р 71732-2024, страница 14 страница 14
  • ГОСТ Р 71732-2024, страница 15 страница 15
  • ГОСТ Р 71732-2024, страница 16 страница 16
  • ГОСТ Р 71732-2024, страница 17 страница 17
  • ГОСТ Р 71732-2024, страница 18 страница 18
  • ГОСТ Р 71732-2024, страница 19 страница 19
  • ГОСТ Р 71732-2024, страница 20 страница 20