ГОСТ Р 70617-2022 Детали заземления судового электрооборудования и кабелей. Технические условия

Категории ГОСТ Р 70617-2022 по ОКС:
Статус документа:
действует, введён в действие 01.06.2023
Название на английском языке:
Earthing details of ship electric equipment and cables. Specifications
Дата актуализации информации по стандарту:
16.08.2025, в 13:38 (менее полугода назад)
Вид стандарта:
временно не известен
Дата начала действия ГОСТа:
2023-06-01
Число страниц:
24
Назначение ГОСТ Р 70617-2022:
не указано

Скачать ГОСТ Р 70617-2022 вы можете в следующих версиях:

Тип файла:
Дата добавления:
Загрузок:
Размер:
Тип файла:
PDF с изображениями
Добавлен:
27/11/2025 09:31
Скачиваний:
35
Размер файла:
4.91 Мб
  • ГОСТ Р 70617-2022, страница 1 страница 1
  • ГОСТ Р 70617-2022, страница 2 страница 2
  • ГОСТ Р 70617-2022, страница 3 страница 3
  • ГОСТ Р 70617-2022, страница 4 страница 4
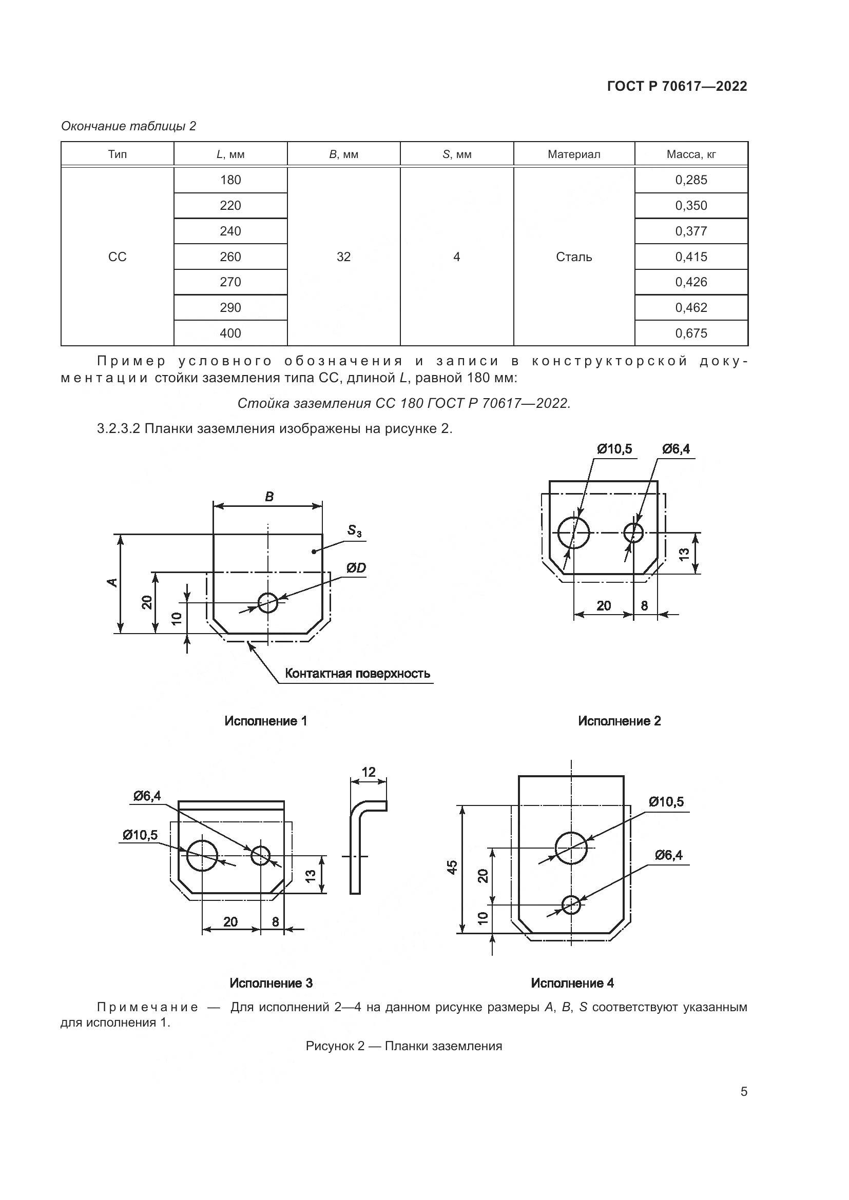
  • ГОСТ Р 70617-2022, страница 5 страница 5
  • ГОСТ Р 70617-2022, страница 6 страница 6
  • ГОСТ Р 70617-2022, страница 7 страница 7
  • ГОСТ Р 70617-2022, страница 8 страница 8
  • ГОСТ Р 70617-2022, страница 9 страница 9
  • ГОСТ Р 70617-2022, страница 10 страница 10
  • ГОСТ Р 70617-2022, страница 11 страница 11
  • ГОСТ Р 70617-2022, страница 12 страница 12
  • ГОСТ Р 70617-2022, страница 13 страница 13
  • ГОСТ Р 70617-2022, страница 14 страница 14
  • ГОСТ Р 70617-2022, страница 15 страница 15
  • ГОСТ Р 70617-2022, страница 16 страница 16
  • ГОСТ Р 70617-2022, страница 17 страница 17
  • ГОСТ Р 70617-2022, страница 18 страница 18
  • ГОСТ Р 70617-2022, страница 19 страница 19
  • ГОСТ Р 70617-2022, страница 20 страница 20
  • ГОСТ Р 70617-2022, страница 21 страница 21
  • ГОСТ Р 70617-2022, страница 22 страница 22
  • ГОСТ Р 70617-2022, страница 23 страница 23
  • ГОСТ Р 70617-2022, страница 24 страница 24