ГОСТ Р 70597-2022 Суда морские. Соединение фланцевое международное для слива нефтесодержащих вод и нефтяных остатков. Размеры и технические требования

Категории ГОСТ Р 70597-2022 по ОКС:
Статус документа:
действует, введён в действие 01.06.2023
Название на английском языке:
Marine ships. International flange connection for the discharge of oily bilge water and oil residues. Dimensions and technical requirements
Дата актуализации информации по стандарту:
16.08.2025, в 13:32 (менее 3 месяцев назад)
Вид стандарта:
временно не известен
Дата начала действия ГОСТа:
2023-06-01
Число страниц:
8
Назначение ГОСТ Р 70597-2022:
не указано
Нормативные ссылки, связанные с ГОСТ Р 70597-2022:

Скачать ГОСТ Р 70597-2022 вы можете в следующих версиях:

В данный момент версий документа для скачивания не добавлено.

Мы стараемся пополнять базу документов еженедельно и из разных источников, в обозримом будущем версии для этого ГОСТа появятся.

Вы можете просмотреть online текст стандарта ГОСТ Р 70597-2022

Просмотреть текст ГОСТ Р 70597-2022

Текст стандарта

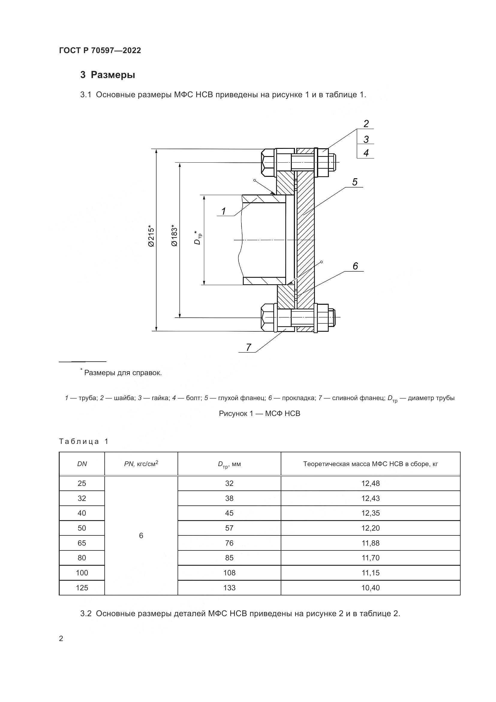
  • ГОСТ Р 70597-2022, страница 1 страница 1
  • ГОСТ Р 70597-2022, страница 2 страница 2
  • ГОСТ Р 70597-2022, страница 3 страница 3
  • ГОСТ Р 70597-2022, страница 4 страница 4
  • ГОСТ Р 70597-2022, страница 5 страница 5
  • ГОСТ Р 70597-2022, страница 6 страница 6
  • ГОСТ Р 70597-2022, страница 7 страница 7
  • ГОСТ Р 70597-2022, страница 8 страница 8