ГОСТ ISO 7043-2014
ГОСТ ISO 7043-2014 Гайки шестигранные высокие самостопорящиеся с фланцем (с неметаллической вставкой), тип 2. Классы точности А и В
Категории ГОСТ ISO 7043-2014 по ОКС:- Статус документа:
- действует, введён в действие 01.01.2017
- Название на английском языке:
- Prevailing torque type hexagon high nuts with flange (with non metallic insert), style 2. Product grades A и B
- Дата актуализации информации по стандарту:
- 30.11.-0001, в 00:00 (более года назад)
- Вид стандарта:
- Стандарты на продукцию (услуги)
- Дата начала действия ГОСТа:
- 2017-01-01
- Дата последнего издания документа:
- 2016-02-08
Коды документа ГОСТ ISO 7043-2014:
- Код ОКП:
- 168000
- Код КГС:
- Г32
- Число страниц:
- 12
- Назначение ГОСТ ISO 7043-2014:
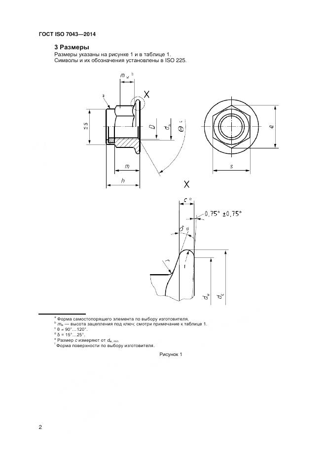
- Настоящий стандарт устанавливает характеристики гаек шестигранных самостопорящихся с фланцем (с неметаллической вставкой), тип 2, с резьбой от M5 до M20 включительно, класса точности А для резьбы до М16 мм включительно и класса точности В для резьбы свыше М16, и классов прочности 8, 9 и 10. В случаях, когда необходимы характеристики, отличающиеся от установленных в настоящем стандарте, они могут быть выбраны из действующих международных стандартов, например ISO 261, ISO 724, ISO 898-2, ISO 965-2, ISO 2320 и ISO 4759-1
- Документ разработан орг-ей:
- Федеральное агентство по техническому регулированию и метрологии (Росстандарт)
- Документ принят орг-ей:
- Межгосударственный Совет по стандартизации метрологии и сертификации, протокол №72-П
- Ключевые слова документа:
- гайки шестигранные самостопорящиеся, неметаллическая вставка, обозначения, технические требования, тип 2
Нормативные ссылки, связанные с ГОСТ ISO 7043-2014:
- ISO:
- ISO 225:2010;ISO 261:1998;ISO 724:2009;ISO 898-2:2012;ISO 965-2:1998;ISO 2320:2008;ISO 3269:2000;ISO 4042:1999;ISO 4759-1:2000;ISO 6157-2:1995;ISO 8992:2005;ISO 10683:2000
- Стандарт ссылается на ГОСТы:
- ГОСТ 22371-77
Скачать ГОСТ ISO 7043-2014 вы можете в следующих версиях:
В данный момент версий документа для скачивания не добавлено.
Мы стараемся пополнять базу документов еженедельно и из разных источников, в обозримом будущем версии для этого ГОСТа появятся.
Вы можете просмотреть online текст стандарта ГОСТ ISO 7043-2014
Просмотреть текст ГОСТ ISO 7043-2014Текст стандарта
Вы можете просмотреть версии ГОСТ ISO 7043-2014, доступные для скачивания, возможно документ есть там в PDF формате.