ГОСТ ISO 6321-2024 Жиры и масла животные и растительные. Определение температуры плавления в открытых капиллярах. Температура скольжения

Категории ГОСТ ISO 6321-2024 по ОКС:
Статус документа:
действует, введён в действие 01.04.2025
Название на английском языке:
Animal and vegetable fats and oils. Determination of melting point in open capillary tubes. Slip point
Дата актуализации информации по стандарту:
26.08.2025, в 14:28 (менее 3 месяцев назад)
Вид стандарта:
временно не известен
Дата начала действия ГОСТа:
2025-04-01
Число страниц:
16
Назначение ГОСТ ISO 6321-2024:
не указано
Нормативные ссылки, связанные с ГОСТ ISO 6321-2024:

Скачать ГОСТ ISO 6321-2024 вы можете в следующих версиях:

В данный момент версий документа для скачивания не добавлено.

Мы стараемся пополнять базу документов еженедельно и из разных источников, в обозримом будущем версии для этого ГОСТа появятся.

Вы можете просмотреть online текст стандарта ГОСТ ISO 6321-2024

Просмотреть текст ГОСТ ISO 6321-2024

Текст стандарта

  • ГОСТ ISO 6321-2024, страница 1 страница 1
  • ГОСТ ISO 6321-2024, страница 2 страница 2
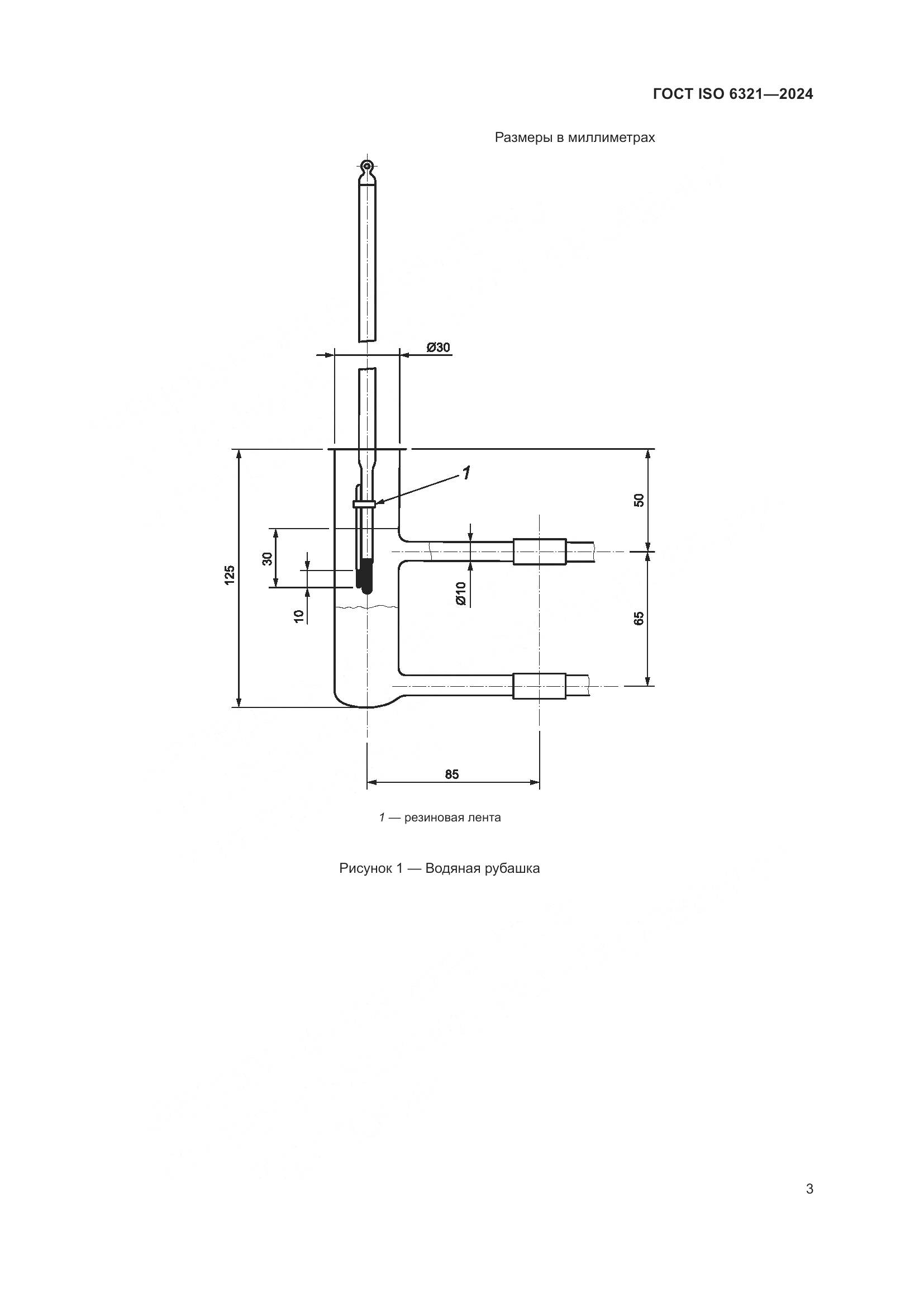
  • ГОСТ ISO 6321-2024, страница 3 страница 3
  • ГОСТ ISO 6321-2024, страница 4 страница 4
  • ГОСТ ISO 6321-2024, страница 5 страница 5
  • ГОСТ ISO 6321-2024, страница 6 страница 6
  • ГОСТ ISO 6321-2024, страница 7 страница 7
  • ГОСТ ISO 6321-2024, страница 8 страница 8
  • ГОСТ ISO 6321-2024, страница 9 страница 9
  • ГОСТ ISO 6321-2024, страница 10 страница 10
  • ГОСТ ISO 6321-2024, страница 11 страница 11
  • ГОСТ ISO 6321-2024, страница 12 страница 12
  • ГОСТ ISO 6321-2024, страница 13 страница 13
  • ГОСТ ISO 6321-2024, страница 14 страница 14
  • ГОСТ ISO 6321-2024, страница 15 страница 15
  • ГОСТ ISO 6321-2024, страница 16 страница 16