ГОСТ Р МЭК 62560-2011 Лампы светодиодные со встроенным устройством управления для общего освещения на напряжения свыше 50 В. Требования безопасности

Категории ГОСТ Р МЭК 62560-2011 по ОКС:
Статус документа:
действует, введён в действие 01.07.2012
Название на английском языке:
Self-ballasted LED-lamps for general lighting services by voltage 50 V. Safety specifications
Дата актуализации информации по стандарту:
11.08.2025, в 13:28 (менее 3 месяцев назад)
Вид стандарта:
временно не известен
Дата начала действия ГОСТа:
2012-07-01
Число страниц:
24
Назначение ГОСТ Р МЭК 62560-2011:
не указано
Нормативные ссылки, связанные с ГОСТ Р МЭК 62560-2011:

Скачать ГОСТ Р МЭК 62560-2011 вы можете в следующих версиях:

Дата добавления:
Тип файла:
Загрузок:
Размер:
23/01/2016 18:42
PDF с изображениями
0
0.83 Мб

Текст стандарта

  • ГОСТ Р МЭК 62560-2011, страница 1 страница 1
  • ГОСТ Р МЭК 62560-2011, страница 2 страница 2
  • ГОСТ Р МЭК 62560-2011, страница 3 страница 3
  • ГОСТ Р МЭК 62560-2011, страница 4 страница 4
  • ГОСТ Р МЭК 62560-2011, страница 5 страница 5
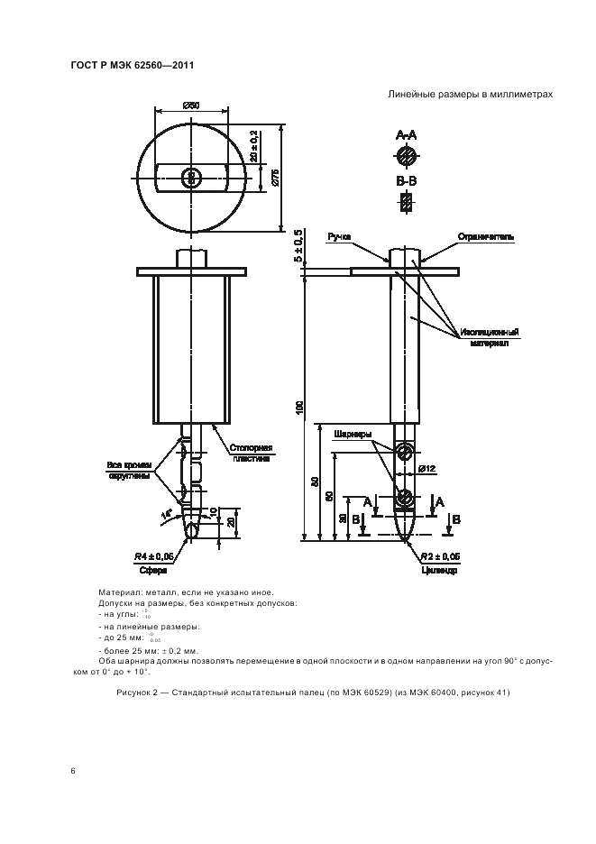
  • ГОСТ Р МЭК 62560-2011, страница 6 страница 6
  • ГОСТ Р МЭК 62560-2011, страница 7 страница 7
  • ГОСТ Р МЭК 62560-2011, страница 8 страница 8
  • ГОСТ Р МЭК 62560-2011, страница 9 страница 9
  • ГОСТ Р МЭК 62560-2011, страница 10 страница 10
  • ГОСТ Р МЭК 62560-2011, страница 11 страница 11
  • ГОСТ Р МЭК 62560-2011, страница 12 страница 12
  • ГОСТ Р МЭК 62560-2011, страница 13 страница 13
  • ГОСТ Р МЭК 62560-2011, страница 14 страница 14
  • ГОСТ Р МЭК 62560-2011, страница 15 страница 15
  • ГОСТ Р МЭК 62560-2011, страница 16 страница 16
  • ГОСТ Р МЭК 62560-2011, страница 17 страница 17
  • ГОСТ Р МЭК 62560-2011, страница 18 страница 18
  • ГОСТ Р МЭК 62560-2011, страница 19 страница 19
  • ГОСТ Р МЭК 62560-2011, страница 20 страница 20
  • ГОСТ Р МЭК 62560-2011, страница 21 страница 21
  • ГОСТ Р МЭК 62560-2011, страница 22 страница 22
  • ГОСТ Р МЭК 62560-2011, страница 23 страница 23
  • ГОСТ Р МЭК 62560-2011, страница 24 страница 24