ГОСТ IEC 62196-2-2024 Вилки, штепсельные розетки, переносные розетки и вводы транспортных средств. Проводная зарядка для электромобилей. Часть 2. Требования к совместимости и взаимозаменяемости размеров вспомогательного оборудования переменного тока со штырями и контактными гнездами

Категории ГОСТ IEC 62196-2-2024 по ОКС:
Статус документа:
принят, введён в действие 01.04.2026
Название на английском языке:
Plugs, socket-outlets, vehicle connectors and vehicle inlets. Conductive charging of electric vehicles. Part 2. Dimensional compatibility requirements for AC pin and contact-tube accessories
Дата актуализации информации по стандарту:
26.08.2025, в 19:02 (менее 3 месяцев назад)
Вид стандарта:
временно не известен
Дата начала действия ГОСТа:
2026-04-01
Число страниц:
74
Назначение ГОСТ IEC 62196-2-2024:
не указано
Нормативные ссылки, связанные с ГОСТ IEC 62196-2-2024:

Скачать ГОСТ IEC 62196-2-2024 вы можете в следующих версиях:

В данный момент версий документа для скачивания не добавлено.

Мы стараемся пополнять базу документов еженедельно и из разных источников, в обозримом будущем версии для этого ГОСТа появятся.

Вы можете просмотреть online текст стандарта ГОСТ IEC 62196-2-2024

Просмотреть текст ГОСТ IEC 62196-2-2024

Текст стандарта

  • ГОСТ IEC 62196-2-2024, страница 1 страница 1
  • ГОСТ IEC 62196-2-2024, страница 2 страница 2
  • ГОСТ IEC 62196-2-2024, страница 3 страница 3
  • ГОСТ IEC 62196-2-2024, страница 4 страница 4
  • ГОСТ IEC 62196-2-2024, страница 5 страница 5
  • ГОСТ IEC 62196-2-2024, страница 6 страница 6
  • ГОСТ IEC 62196-2-2024, страница 7 страница 7
  • ГОСТ IEC 62196-2-2024, страница 8 страница 8
  • ГОСТ IEC 62196-2-2024, страница 9 страница 9
  • ГОСТ IEC 62196-2-2024, страница 10 страница 10
  • ГОСТ IEC 62196-2-2024, страница 11 страница 11
  • ГОСТ IEC 62196-2-2024, страница 12 страница 12
  • ГОСТ IEC 62196-2-2024, страница 13 страница 13
  • ГОСТ IEC 62196-2-2024, страница 14 страница 14
  • ГОСТ IEC 62196-2-2024, страница 15 страница 15
  • ГОСТ IEC 62196-2-2024, страница 16 страница 16
  • ГОСТ IEC 62196-2-2024, страница 17 страница 17
  • ГОСТ IEC 62196-2-2024, страница 18 страница 18
  • ГОСТ IEC 62196-2-2024, страница 19 страница 19
  • ГОСТ IEC 62196-2-2024, страница 20 страница 20
  • ГОСТ IEC 62196-2-2024, страница 21 страница 21
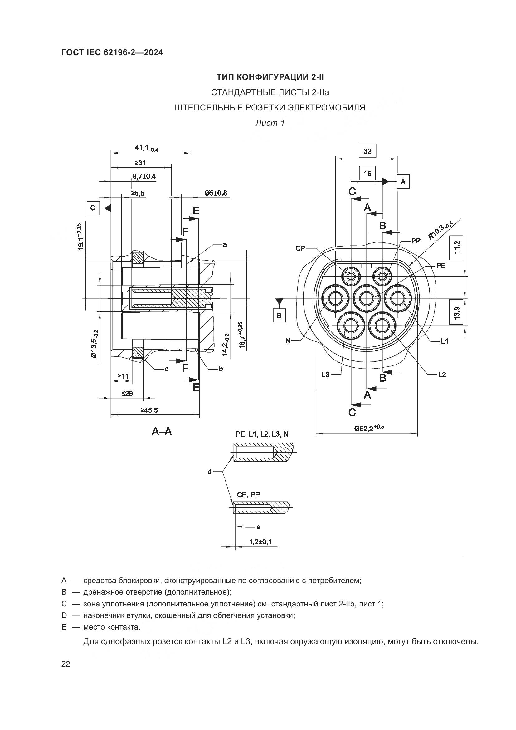
  • ГОСТ IEC 62196-2-2024, страница 22 страница 22
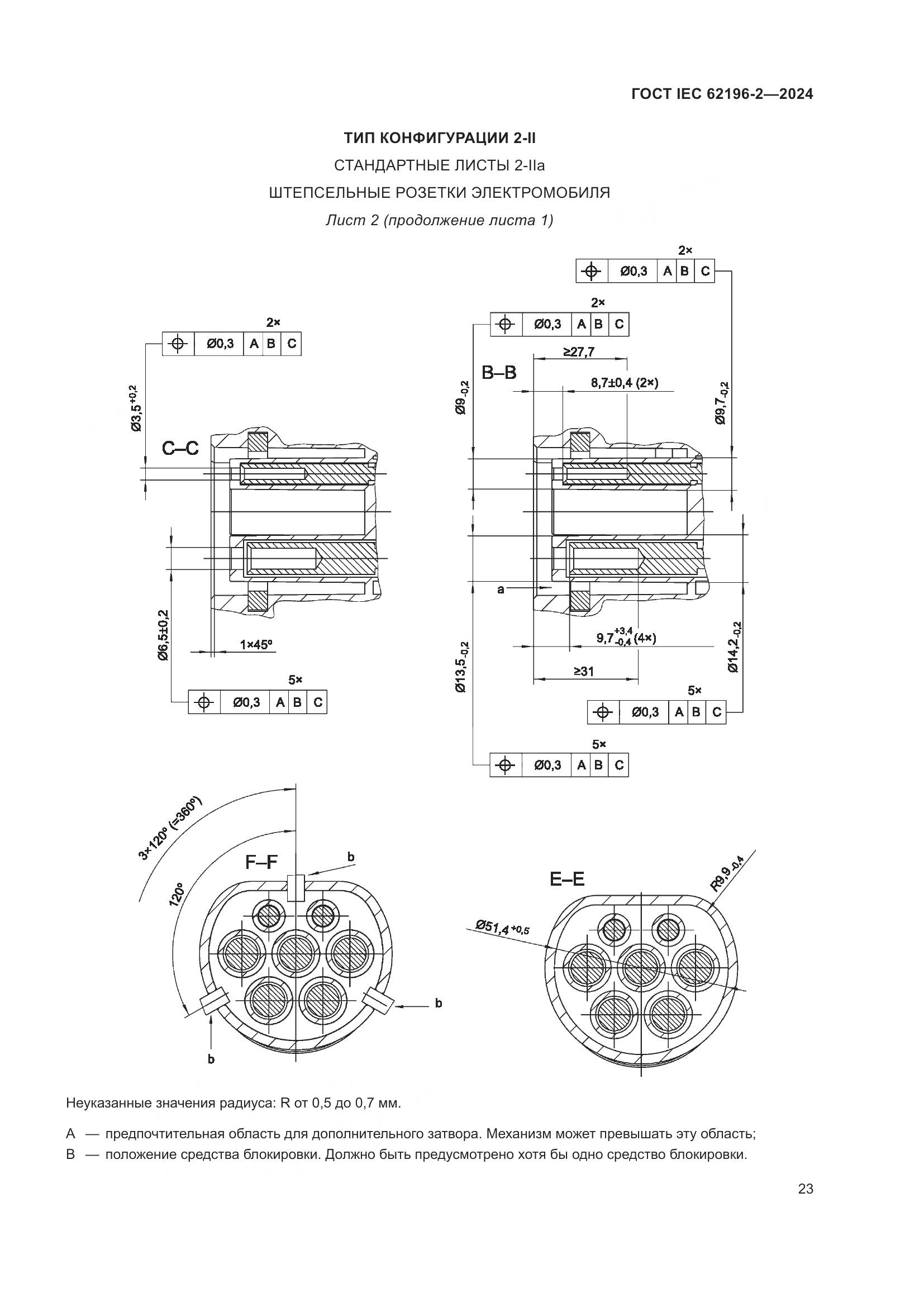
  • ГОСТ IEC 62196-2-2024, страница 23 страница 23
  • ГОСТ IEC 62196-2-2024, страница 24 страница 24
  • ГОСТ IEC 62196-2-2024, страница 25 страница 25
  • ГОСТ IEC 62196-2-2024, страница 26 страница 26
  • ГОСТ IEC 62196-2-2024, страница 27 страница 27
  • ГОСТ IEC 62196-2-2024, страница 28 страница 28
  • ГОСТ IEC 62196-2-2024, страница 29 страница 29
  • ГОСТ IEC 62196-2-2024, страница 30 страница 30
  • ГОСТ IEC 62196-2-2024, страница 31 страница 31
  • ГОСТ IEC 62196-2-2024, страница 32 страница 32
  • ГОСТ IEC 62196-2-2024, страница 33 страница 33
  • ГОСТ IEC 62196-2-2024, страница 34 страница 34
  • ГОСТ IEC 62196-2-2024, страница 35 страница 35
  • ГОСТ IEC 62196-2-2024, страница 36 страница 36
  • ГОСТ IEC 62196-2-2024, страница 37 страница 37
  • ГОСТ IEC 62196-2-2024, страница 38 страница 38
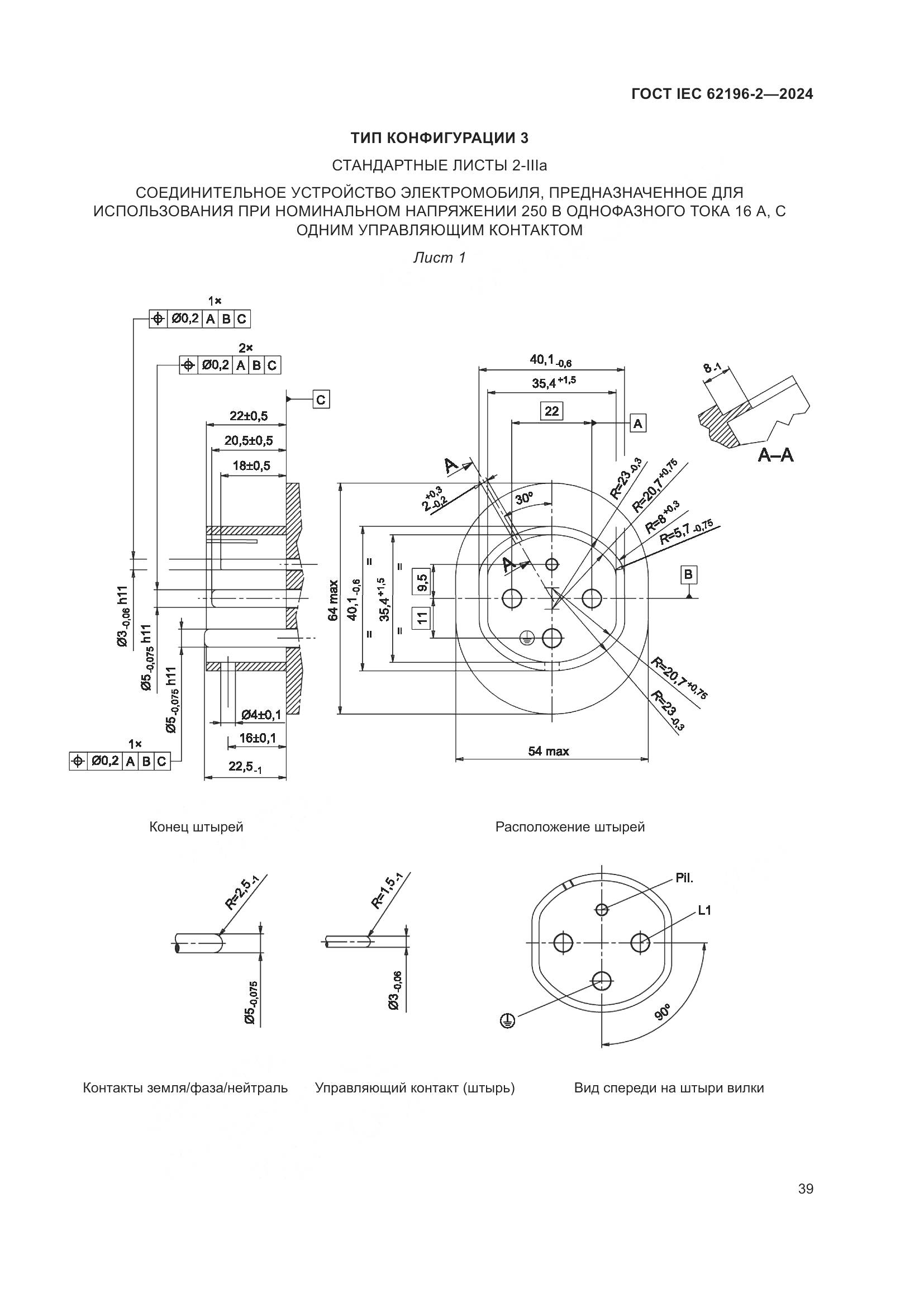
  • ГОСТ IEC 62196-2-2024, страница 39 страница 39
  • ГОСТ IEC 62196-2-2024, страница 40 страница 40
  • ГОСТ IEC 62196-2-2024, страница 41 страница 41
  • ГОСТ IEC 62196-2-2024, страница 42 страница 42
  • ГОСТ IEC 62196-2-2024, страница 43 страница 43
  • ГОСТ IEC 62196-2-2024, страница 44 страница 44
  • ГОСТ IEC 62196-2-2024, страница 45 страница 45
  • ГОСТ IEC 62196-2-2024, страница 46 страница 46
  • ГОСТ IEC 62196-2-2024, страница 47 страница 47
  • ГОСТ IEC 62196-2-2024, страница 48 страница 48
  • ГОСТ IEC 62196-2-2024, страница 49 страница 49
  • ГОСТ IEC 62196-2-2024, страница 50 страница 50
  • ГОСТ IEC 62196-2-2024, страница 51 страница 51
  • ГОСТ IEC 62196-2-2024, страница 52 страница 52
  • ГОСТ IEC 62196-2-2024, страница 53 страница 53
  • ГОСТ IEC 62196-2-2024, страница 54 страница 54
  • ГОСТ IEC 62196-2-2024, страница 55 страница 55
  • ГОСТ IEC 62196-2-2024, страница 56 страница 56
  • ГОСТ IEC 62196-2-2024, страница 57 страница 57
  • ГОСТ IEC 62196-2-2024, страница 58 страница 58
  • ГОСТ IEC 62196-2-2024, страница 59 страница 59
  • ГОСТ IEC 62196-2-2024, страница 60 страница 60
  • ГОСТ IEC 62196-2-2024, страница 61 страница 61
  • ГОСТ IEC 62196-2-2024, страница 62 страница 62
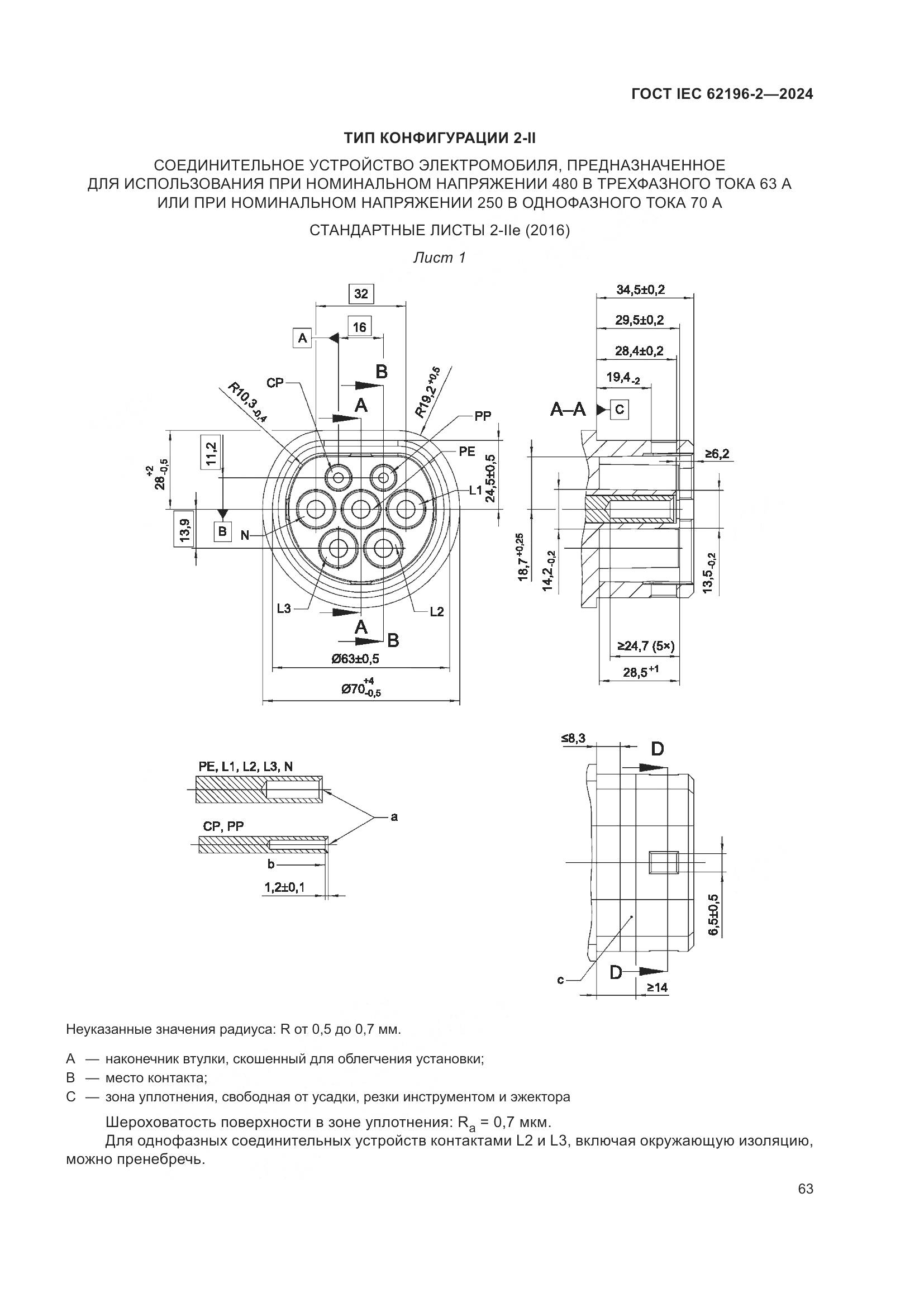
  • ГОСТ IEC 62196-2-2024, страница 63 страница 63
  • ГОСТ IEC 62196-2-2024, страница 64 страница 64
  • ГОСТ IEC 62196-2-2024, страница 65 страница 65
  • ГОСТ IEC 62196-2-2024, страница 66 страница 66
  • ГОСТ IEC 62196-2-2024, страница 67 страница 67
  • ГОСТ IEC 62196-2-2024, страница 68 страница 68
  • ГОСТ IEC 62196-2-2024, страница 69 страница 69
  • ГОСТ IEC 62196-2-2024, страница 70 страница 70
  • ГОСТ IEC 62196-2-2024, страница 71 страница 71
  • ГОСТ IEC 62196-2-2024, страница 72 страница 72
  • ГОСТ IEC 62196-2-2024, страница 73 страница 73
  • ГОСТ IEC 62196-2-2024, страница 74 страница 74