ГОСТ IEC 60884-2-4-2016 Соединители электрические штепсельные бытового и аналогичного назначения. Часть 2-4. Дополнительные требования к вилкам и розеткам для системы БСНН и методы испытаний

Категории ГОСТ IEC 60884-2-4-2016 по ОКС:
Статус документа:
действует, введён в действие 01.07.2018
Название на английском языке:
Electric plugs connectors for household and similar purposes. Part 2-4. Particular requirements for plugs and socket-outlets for SELV and methods of tests
Дата актуализации информации по стандарту:
30.10.2025, в 09:39 (менее 3 месяцев назад)
Вид стандарта:
Стандарты на продукцию (услуги)
Дата начала действия ГОСТа:
2018-07-01
Дата последнего издания документа:
2017-06-07
Число страниц:
25
Назначение ГОСТ IEC 60884-2-4-2016:
Настоящий стандарт распространяется на соединители, вилки и розетки как стационарные, так и переносные, и розетки для электроприборов бытового и аналогичного назначения, предназначенные для присоединения электрических приемников постоянного и переменного тока частотой 50-60 Гц и номинальными токами не более 16 А при напряжении от 6 до 48 В включительно при внутренней и наружной установках
Документ разработан орг-ей:
Федеральное агентство по техническому регулированию и метрологии (Росстандарт)
Документ принят орг-ей:
Межгосударственный Совет по стандартизации метрологии и сертификации, протокол №92-П
Ключевые слова документа:
вилки и розетки для электроприборов бытового и аналогичного назначения, напряжение сверхнизкое безопасное

Скачать ГОСТ IEC 60884-2-4-2016 вы можете в следующих версиях:

Тип файла:
Дата добавления:
Загрузок:
Размер:
Тип файла:
PDF с изображениями
Добавлен:
20/11/2025 14:35
Скачиваний:
7
Размер файла:
5.43 Мб
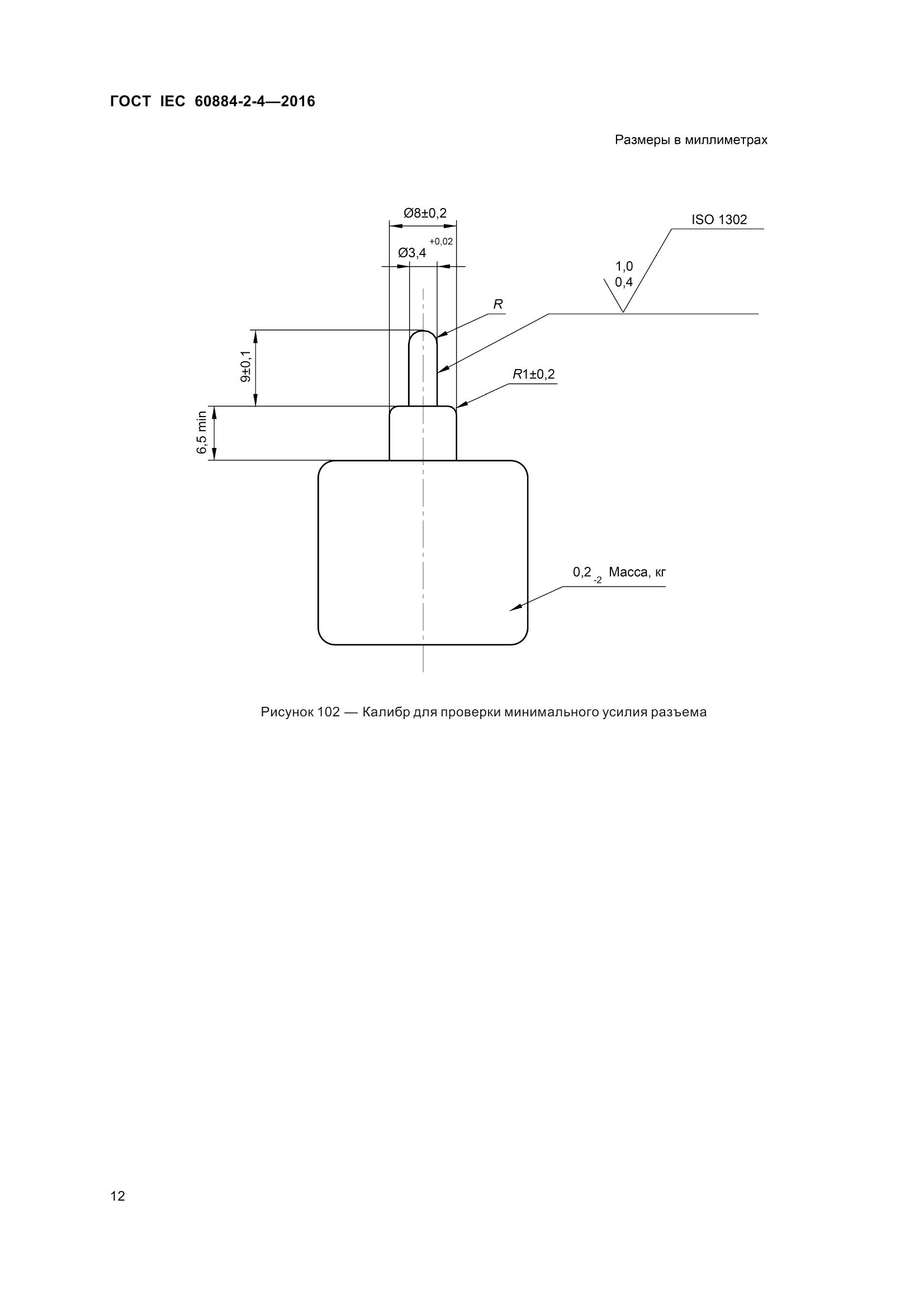
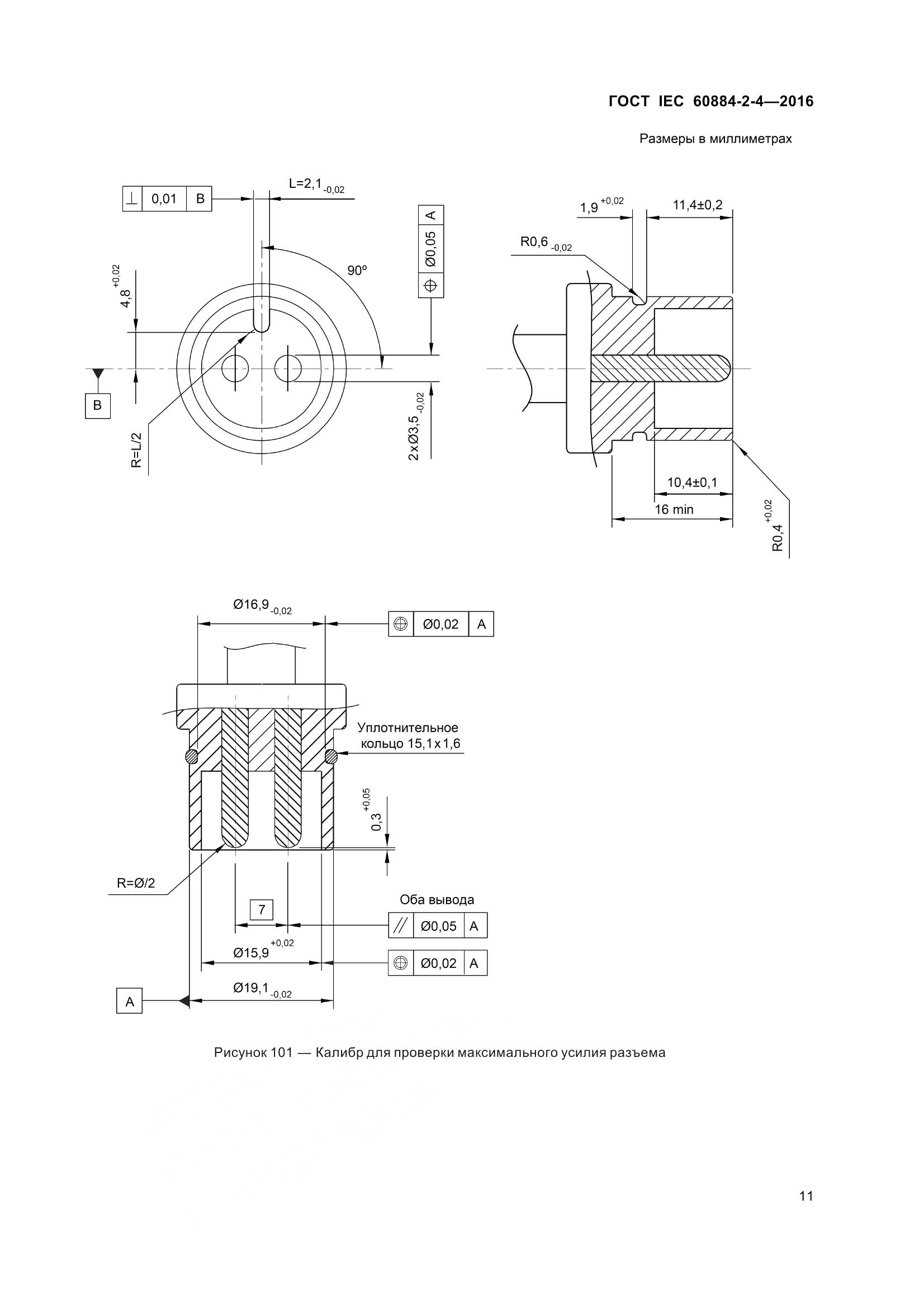
  • ГОСТ IEC 60884-2-4-2016, страница 1 страница 1
  • ГОСТ IEC 60884-2-4-2016, страница 2 страница 2
  • ГОСТ IEC 60884-2-4-2016, страница 3 страница 3
  • ГОСТ IEC 60884-2-4-2016, страница 4 страница 4
  • ГОСТ IEC 60884-2-4-2016, страница 5 страница 5
  • ГОСТ IEC 60884-2-4-2016, страница 6 страница 6
  • ГОСТ IEC 60884-2-4-2016, страница 7 страница 7
  • ГОСТ IEC 60884-2-4-2016, страница 8 страница 8
  • ГОСТ IEC 60884-2-4-2016, страница 9 страница 9
  • ГОСТ IEC 60884-2-4-2016, страница 10 страница 10
  • ГОСТ IEC 60884-2-4-2016, страница 11 страница 11
  • ГОСТ IEC 60884-2-4-2016, страница 12 страница 12
  • ГОСТ IEC 60884-2-4-2016, страница 13 страница 13
  • ГОСТ IEC 60884-2-4-2016, страница 14 страница 14
  • ГОСТ IEC 60884-2-4-2016, страница 15 страница 15
  • ГОСТ IEC 60884-2-4-2016, страница 16 страница 16
  • ГОСТ IEC 60884-2-4-2016, страница 17 страница 17
  • ГОСТ IEC 60884-2-4-2016, страница 18 страница 18
  • ГОСТ IEC 60884-2-4-2016, страница 19 страница 19
  • ГОСТ IEC 60884-2-4-2016, страница 20 страница 20
  • ГОСТ IEC 60884-2-4-2016, страница 21 страница 21
  • ГОСТ IEC 60884-2-4-2016, страница 22 страница 22
  • ГОСТ IEC 60884-2-4-2016, страница 23 страница 23
  • ГОСТ IEC 60884-2-4-2016, страница 24 страница 24
  • ГОСТ IEC 60884-2-4-2016, страница 25 страница 25