ГОСТ IEC 60400-2011 Патроны для трубчатых люминесцентных ламп и стартеров

Категории ГОСТ IEC 60400-2011 по ОКС:
Статус документа:
действует, введён в действие 01.01.2014
Название на английском языке:
Lampholders for tubular fluorescent lamps and starterholders
Дата актуализации информации по стандарту:
17.09.2019, в 14:58 (более года назад)
Вид стандарта:
Основополагающие стандарты
Дата начала действия ГОСТа:
2014-01-01
Дата последнего издания документа:
2013-12-22
Коды документа ГОСТ IEC 60400-2011:
Код КГС:
Е83
Число страниц:
66
Назначение ГОСТ IEC 60400-2011:
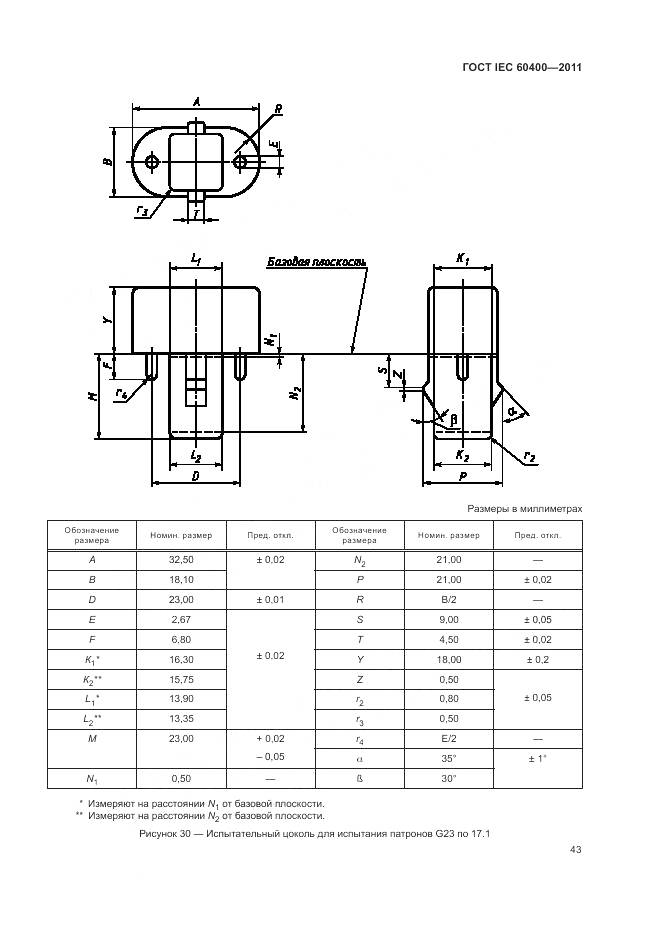
Настоящий стандарт устанавливает размеры и технические требования к патронам для трубчатых люминесцентных ламп и стартеров, а также методы испытаний, которые должны использоваться для оценки безопасности применения и возможности вставления в них ламп и стартеров. Стандарт распространяется на независимые и встраиваемые патроны для трубчатых люминесцентных ламп с цоколями, указанными в приложении А, а также на независимые и встраиваемые патроны для стартеров в соответствии с IEC 60155, предназначенные для включения в сеть переменного тока с действующим значением рабочего напряжения не более 1000 В. Настоящий стандарт также распространяется на патроны для одноцокольных трубчатых люминесцентных ламп, вмонтированный в наружный корпус с донышком, снабженным резьбой, аналогичной патрона с резьбой Эдисона (например для ламп с цоколями G23 и G24). Патроны с круглой резьбой для абажурных колец должны соответствовать последнему изданию IEC 60399. Стандарт, насколько возможно, распространяется на комбинации патронов для ламп и стартеров, на патроны для ламп и указанные комбинации, которые полностью или частично выполнены заодно со светильником, а также на патроны для ламп и стартеров, отличающихся от вышеуказанных, и на ламповые соединители
Документ разработан орг-ей:
Федеральное агентство по техническому регулированию и метрологии (Росстандарт)
Документ принят орг-ей:
Межгосударственный Совет по стандартизации метрологии и сертификации, протокол №48
Ключевые слова документа:
патроны для трубчатых люминесцентных ламп и стартеров
Нормативные ссылки, связанные с ГОСТ IEC 60400-2011:

Скачать ГОСТ IEC 60400-2011 вы можете в следующих версиях:

Дата добавления:
Тип файла:
Загрузок:
Размер:
23/01/2016 18:15
PDF с изображениями
0
2.24 Мб

Текст стандарта

  • ГОСТ IEC 60400-2011, страница 1 страница 1
  • ГОСТ IEC 60400-2011, страница 2 страница 2
  • ГОСТ IEC 60400-2011, страница 3 страница 3
  • ГОСТ IEC 60400-2011, страница 4 страница 4
  • ГОСТ IEC 60400-2011, страница 5 страница 5
  • ГОСТ IEC 60400-2011, страница 6 страница 6
  • ГОСТ IEC 60400-2011, страница 7 страница 7
  • ГОСТ IEC 60400-2011, страница 8 страница 8
  • ГОСТ IEC 60400-2011, страница 9 страница 9
  • ГОСТ IEC 60400-2011, страница 10 страница 10
  • ГОСТ IEC 60400-2011, страница 11 страница 11
  • ГОСТ IEC 60400-2011, страница 12 страница 12
  • ГОСТ IEC 60400-2011, страница 13 страница 13
  • ГОСТ IEC 60400-2011, страница 14 страница 14
  • ГОСТ IEC 60400-2011, страница 15 страница 15
  • ГОСТ IEC 60400-2011, страница 16 страница 16
  • ГОСТ IEC 60400-2011, страница 17 страница 17
  • ГОСТ IEC 60400-2011, страница 18 страница 18
  • ГОСТ IEC 60400-2011, страница 19 страница 19
  • ГОСТ IEC 60400-2011, страница 20 страница 20
  • ГОСТ IEC 60400-2011, страница 21 страница 21
  • ГОСТ IEC 60400-2011, страница 22 страница 22
  • ГОСТ IEC 60400-2011, страница 23 страница 23
  • ГОСТ IEC 60400-2011, страница 24 страница 24
  • ГОСТ IEC 60400-2011, страница 25 страница 25
  • ГОСТ IEC 60400-2011, страница 26 страница 26
  • ГОСТ IEC 60400-2011, страница 27 страница 27
  • ГОСТ IEC 60400-2011, страница 28 страница 28
  • ГОСТ IEC 60400-2011, страница 29 страница 29
  • ГОСТ IEC 60400-2011, страница 30 страница 30
  • ГОСТ IEC 60400-2011, страница 31 страница 31
  • ГОСТ IEC 60400-2011, страница 32 страница 32
  • ГОСТ IEC 60400-2011, страница 33 страница 33
  • ГОСТ IEC 60400-2011, страница 34 страница 34
  • ГОСТ IEC 60400-2011, страница 35 страница 35
  • ГОСТ IEC 60400-2011, страница 36 страница 36
  • ГОСТ IEC 60400-2011, страница 37 страница 37
  • ГОСТ IEC 60400-2011, страница 38 страница 38
  • ГОСТ IEC 60400-2011, страница 39 страница 39
  • ГОСТ IEC 60400-2011, страница 40 страница 40
  • ГОСТ IEC 60400-2011, страница 41 страница 41
  • ГОСТ IEC 60400-2011, страница 42 страница 42
  • ГОСТ IEC 60400-2011, страница 43 страница 43
  • ГОСТ IEC 60400-2011, страница 44 страница 44
  • ГОСТ IEC 60400-2011, страница 45 страница 45
  • ГОСТ IEC 60400-2011, страница 46 страница 46
  • ГОСТ IEC 60400-2011, страница 47 страница 47
  • ГОСТ IEC 60400-2011, страница 48 страница 48
  • ГОСТ IEC 60400-2011, страница 49 страница 49
  • ГОСТ IEC 60400-2011, страница 50 страница 50
  • ГОСТ IEC 60400-2011, страница 51 страница 51
  • ГОСТ IEC 60400-2011, страница 52 страница 52
  • ГОСТ IEC 60400-2011, страница 53 страница 53
  • ГОСТ IEC 60400-2011, страница 54 страница 54
  • ГОСТ IEC 60400-2011, страница 55 страница 55
  • ГОСТ IEC 60400-2011, страница 56 страница 56
  • ГОСТ IEC 60400-2011, страница 57 страница 57
  • ГОСТ IEC 60400-2011, страница 58 страница 58
  • ГОСТ IEC 60400-2011, страница 59 страница 59
  • ГОСТ IEC 60400-2011, страница 60 страница 60
  • ГОСТ IEC 60400-2011, страница 61 страница 61
  • ГОСТ IEC 60400-2011, страница 62 страница 62
  • ГОСТ IEC 60400-2011, страница 63 страница 63
  • ГОСТ IEC 60400-2011, страница 64 страница 64
  • ГОСТ IEC 60400-2011, страница 65 страница 65
  • ГОСТ IEC 60400-2011, страница 66 страница 66