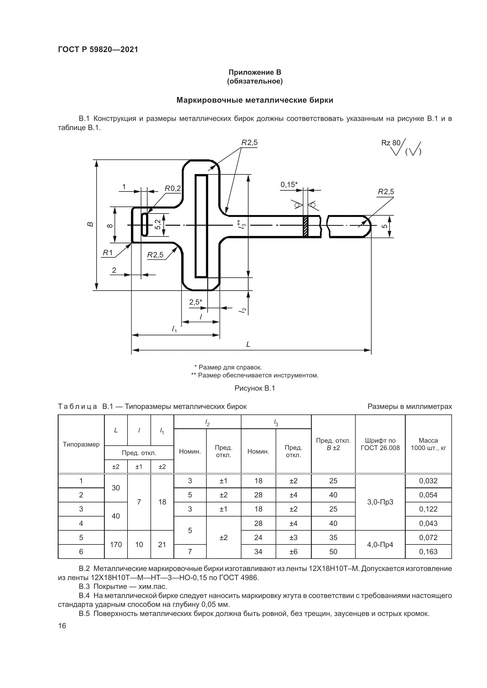
ГОСТ Р 59820-2021 Маркировка проводов, жгутов, кабелей, соединителей, модульных колодок, агрегатов и элементов системы электроснабжения самолетов и вертолетов

Категории ГОСТ Р 59820-2021 по ОКС:
Статус документа:
действует, введён в действие 01.06.2022
Название на английском языке:
Marking of wires, harnesses, cables, connectors, modulars, units and elements of the power supply system of aircraft and helicopters
Дата актуализации информации по стандарту:
11.08.2025, в 13:34 (менее 3 месяцев назад)
Вид стандарта:
временно не известен
Дата начала действия ГОСТа:
2022-06-01
Число страниц:
28
Назначение ГОСТ Р 59820-2021:
не указано
Нормативные ссылки, связанные с ГОСТ Р 59820-2021:

Скачать ГОСТ Р 59820-2021 вы можете в следующих версиях:

В данный момент версий документа для скачивания не добавлено.

Мы стараемся пополнять базу документов еженедельно и из разных источников, в обозримом будущем версии для этого ГОСТа появятся.

Вы можете просмотреть online текст стандарта ГОСТ Р 59820-2021

Просмотреть текст ГОСТ Р 59820-2021

Текст стандарта

  • ГОСТ Р 59820-2021, страница 1 страница 1
  • ГОСТ Р 59820-2021, страница 2 страница 2
  • ГОСТ Р 59820-2021, страница 3 страница 3
  • ГОСТ Р 59820-2021, страница 4 страница 4
  • ГОСТ Р 59820-2021, страница 5 страница 5
  • ГОСТ Р 59820-2021, страница 6 страница 6
  • ГОСТ Р 59820-2021, страница 7 страница 7
  • ГОСТ Р 59820-2021, страница 8 страница 8
  • ГОСТ Р 59820-2021, страница 9 страница 9
  • ГОСТ Р 59820-2021, страница 10 страница 10
  • ГОСТ Р 59820-2021, страница 11 страница 11
  • ГОСТ Р 59820-2021, страница 12 страница 12
  • ГОСТ Р 59820-2021, страница 13 страница 13
  • ГОСТ Р 59820-2021, страница 14 страница 14
  • ГОСТ Р 59820-2021, страница 15 страница 15
  • ГОСТ Р 59820-2021, страница 16 страница 16
  • ГОСТ Р 59820-2021, страница 17 страница 17
  • ГОСТ Р 59820-2021, страница 18 страница 18
  • ГОСТ Р 59820-2021, страница 19 страница 19
  • ГОСТ Р 59820-2021, страница 20 страница 20
  • ГОСТ Р 59820-2021, страница 21 страница 21
  • ГОСТ Р 59820-2021, страница 22 страница 22
  • ГОСТ Р 59820-2021, страница 23 страница 23
  • ГОСТ Р 59820-2021, страница 24 страница 24
  • ГОСТ Р 59820-2021, страница 25 страница 25
  • ГОСТ Р 59820-2021, страница 26 страница 26
  • ГОСТ Р 59820-2021, страница 27 страница 27
  • ГОСТ Р 59820-2021, страница 28 страница 28