ГОСТ Р 56302-2014 Единая энергетическая система и изолированно работающие энергосистемы. Оперативно-диспетчерское управление. Диспетчерские наименования объектов электроэнергетики и оборудования объектов электроэнергетики. Общие требования

Категории ГОСТ Р 56302-2014 по ОКС:
Статус документа:
принят, введён в действие 01.09.2015
Название на английском языке:
United power system and isolated power systems. Operative-dispatch management. Dispatch name of electric power facilities and equipment of electric power facilities. General requirements
Дата актуализации информации по стандарту:
11.08.2025, в 13:28 (менее 3 месяцев назад)
Вид стандарта:
временно не известен
Дата начала действия ГОСТа:
2015-09-01
Число страниц:
20
Назначение ГОСТ Р 56302-2014:
не указано
Нормативные ссылки, связанные с ГОСТ Р 56302-2014:

Скачать ГОСТ Р 56302-2014 вы можете в следующих версиях:

Дата добавления:
Тип файла:
Загрузок:
Размер:
23/01/2016 18:07
PDF с изображениями
0
0.77 Мб

Текст стандарта

  • ГОСТ Р 56302-2014, страница 1 страница 1
  • ГОСТ Р 56302-2014, страница 2 страница 2
  • ГОСТ Р 56302-2014, страница 3 страница 3
  • ГОСТ Р 56302-2014, страница 4 страница 4
  • ГОСТ Р 56302-2014, страница 5 страница 5
  • ГОСТ Р 56302-2014, страница 6 страница 6
  • ГОСТ Р 56302-2014, страница 7 страница 7
  • ГОСТ Р 56302-2014, страница 8 страница 8
  • ГОСТ Р 56302-2014, страница 9 страница 9
  • ГОСТ Р 56302-2014, страница 10 страница 10
  • ГОСТ Р 56302-2014, страница 11 страница 11
  • ГОСТ Р 56302-2014, страница 12 страница 12
  • ГОСТ Р 56302-2014, страница 13 страница 13
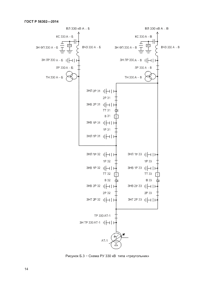
  • ГОСТ Р 56302-2014, страница 14 страница 14
  • ГОСТ Р 56302-2014, страница 15 страница 15
  • ГОСТ Р 56302-2014, страница 16 страница 16
  • ГОСТ Р 56302-2014, страница 17 страница 17
  • ГОСТ Р 56302-2014, страница 18 страница 18
  • ГОСТ Р 56302-2014, страница 19 страница 19
  • ГОСТ Р 56302-2014, страница 20 страница 20