ПНСТ 24-2014 Инновационный железнодорожный подвижной состав. Порядок разработки и допуска к эксплуатации

Категории ПНСТ 24-2014 по ОКС:
Статус документа:
действует, введён в действие 01.04.2015
Название на английском языке:
Innovative railway rolling stock. The procedure of development and admission for exploitation
Дата актуализации информации по стандарту:
11.08.2025, в 13:28 (менее 3 месяцев назад)
Вид стандарта:
временно не известен
Дата начала действия ГОСТа:
2015-04-01
Число страниц:
16
Назначение ПНСТ 24-2014:
не указано
Нормативные ссылки, связанные с ПНСТ 24-2014:

Скачать ПНСТ 24-2014 вы можете в следующих версиях:

Дата добавления:
Тип файла:
Загрузок:
Размер:
23/01/2016 18:05
PDF с изображениями
0
0.67 Мб

Текст стандарта

  • ПНСТ 24-2014, страница 1 страница 1
  • ПНСТ 24-2014, страница 2 страница 2
  • ПНСТ 24-2014, страница 3 страница 3
  • ПНСТ 24-2014, страница 4 страница 4
  • ПНСТ 24-2014, страница 5 страница 5
  • ПНСТ 24-2014, страница 6 страница 6
  • ПНСТ 24-2014, страница 7 страница 7
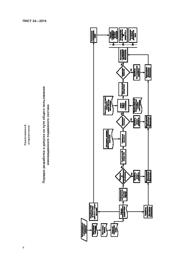
  • ПНСТ 24-2014, страница 8 страница 8
  • ПНСТ 24-2014, страница 9 страница 9
  • ПНСТ 24-2014, страница 10 страница 10
  • ПНСТ 24-2014, страница 11 страница 11
  • ПНСТ 24-2014, страница 12 страница 12
  • ПНСТ 24-2014, страница 13 страница 13
  • ПНСТ 24-2014, страница 14 страница 14
  • ПНСТ 24-2014, страница 15 страница 15
  • ПНСТ 24-2014, страница 16 страница 16