ГОСТ 16017-2014
ГОСТ 16017-2014 Болты закладные для рельсовых скреплений железнодорожного пути. Технические условия
Категории ГОСТ 16017-2014 по ОКС:- Статус документа:
- действует, введён в действие 01.07.2015
- Название на английском языке:
- Inserted bolts for rail track fastenings. Specifications
- Дата актуализации информации по стандарту:
- 06.08.2025, в 15:51 (менее полугода назад)
- Вид стандарта:
- Основополагающие стандарты
- Дата начала действия ГОСТа:
- 2015-07-01
- Дата последнего издания документа:
- 2019-12-09
- Число страниц:
- 12
- Назначение ГОСТ 16017-2014:
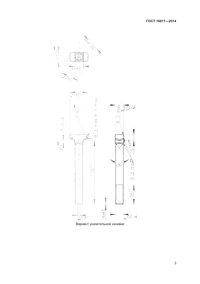
- Настоящий стандарт распространяется на закладные болты нормальной точности (класс точности В по ГОСТ 1759.1, в Российской Федерации действует ГОСТ Р ИСО 4759-1-2009 «Изделия крепежные. Допуски. Часть 1. Болты, винты, шпильки и гайки. Классы точности A, B, и C».), применяемые для прикрепления металлических подкладок или рельсов к железобетонным подрельсовым основаниям в рельсовых скреплениях и устанавливает технические условия
- Документ принят орг-ей:
- Межгосударственный Совет по стандартизации метрологии и сертификации, протокол №46-2014
- Ключевые слова документа:
- болты закладные, исполнения, размеры, резьба метрическая
Нормативные ссылки, связанные с ГОСТ 16017-2014:
- Стандарт ссылается на ГОСТы:
- ГОСТ Р ИСО 4759-1-2009, ГОСТ Р ИСО 6157-1-2009, ГОСТ Р ИСО 3269-2009, ГОСТ Р 52627-2006, ГОСТ ISO 898-1-2014, ГОСТ ISO 3269, ГОСТ ISO 6157-1-2015, ГОСТ ISO 4759-1-2015, ГОСТ 166, ГОСТ 9.014, ГОСТ 24997, ГОСТ 15.309, ГОСТ 15150, ГОСТ 9.302, ГОСТ 9.301, ГОСТ 18321, ГОСТ 9.303, ГОСТ 24705, ГОСТ 5378, ГОСТ 18160, ГОСТ 32894, ГОСТ 1759.1, ГОСТ 1759.2, ГОСТ 16093
Скачать ГОСТ 16017-2014 вы можете в следующих версиях:
Тип файла:
Дата добавления:
Загрузок:
Размер:
Ссылка на скачивание:
Добавлен:
23/01/2016 18:04
Скачиваний:
6
Размер файла:
0.39 Мб
Ссылка для скачивания:
Поправки и изменения к ГОСТ 16017-2014:
-
Наименование, вид:Датарегистрации:начала действия:Ссылка:
-
Изменение №1 к ГОСТ 16017-2014
Тип изменения: Текстовое изменение; Изменены ссылочные НД
Номер изменения: 1
Регистрационный номер: 1156-ст
Новое значение: Заменяется: ГОСТ 1.0-92 на ГОСТ 1.0-2015,ГОСТ 1.2-2009 на ГОСТ 1.2-2015,ГОСТ 1759.4-87 на ГОСТ ISO 898-1-2014,ГОСТ 17769-83 на ГОСТ ISO 3269-2015 Вводится: ГОСТ 9.303-84,ГОСТ 32894-2014,ГОСТ ISO 4759-1-2015,ГОСТ ISO 6157-1-2015 Отменяется: ГОСТ 22356-77
2018-12-262019-03-01
-
страница 1
-
страница 2
-
страница 3
-
страница 4
-
страница 5
-
страница 6
-
страница 7
-
страница 8
-
страница 9
-
страница 10
-
страница 11
-
страница 12