ГОСТ ISO 12945-3-2022 Материалы и изделия текстильные. Определение стойкости материала к пиллингу, ворсистости или свойлачиванию. Часть 3. Испытание на пиллинг методом произвольного вращения в цилиндрической камере

Категории ГОСТ ISO 12945-3-2022 по ОКС:
Статус документа:
действует, введён в действие 01.07.2025
Название на английском языке:
Textiles. Determination of fabric propensity to surface pilling, fuzzing or matting. Part 3. Random tumble pilling method
Дата актуализации информации по стандарту:
15.08.2025, в 16:02 (менее 3 месяцев назад)
Вид стандарта:
временно не известен
Дата начала действия ГОСТа:
2025-07-01
Число страниц:
20
Назначение ГОСТ ISO 12945-3-2022:
не указано
Нормативные ссылки, связанные с ГОСТ ISO 12945-3-2022:

Скачать ГОСТ ISO 12945-3-2022 вы можете в следующих версиях:

В данный момент версий документа для скачивания не добавлено.

Мы стараемся пополнять базу документов еженедельно и из разных источников, в обозримом будущем версии для этого ГОСТа появятся.

Вы можете просмотреть online текст стандарта ГОСТ ISO 12945-3-2022

Просмотреть текст ГОСТ ISO 12945-3-2022

Текст стандарта

  • ГОСТ ISO 12945-3-2022, страница 1 страница 1
  • ГОСТ ISO 12945-3-2022, страница 2 страница 2
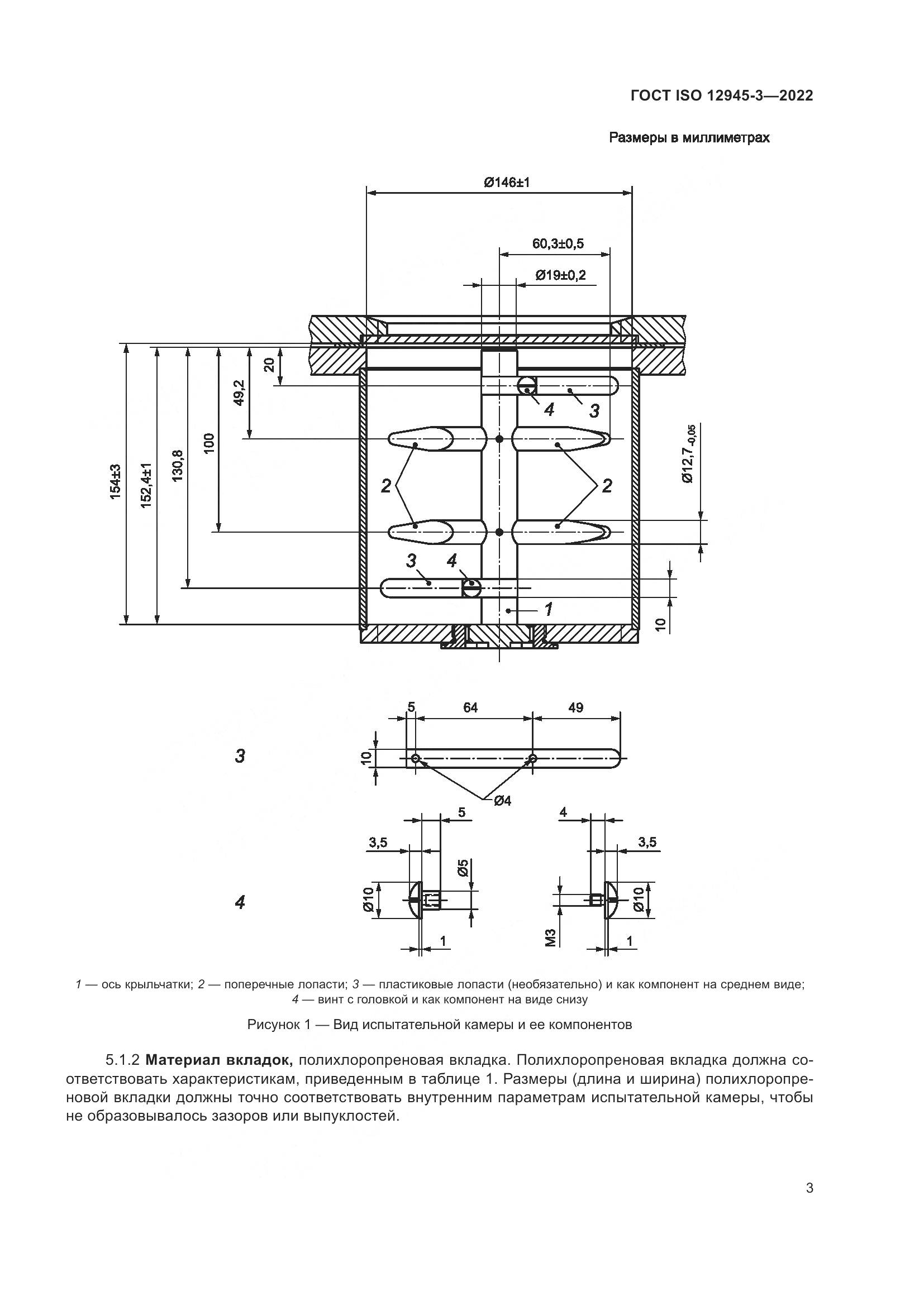
  • ГОСТ ISO 12945-3-2022, страница 3 страница 3
  • ГОСТ ISO 12945-3-2022, страница 4 страница 4
  • ГОСТ ISO 12945-3-2022, страница 5 страница 5
  • ГОСТ ISO 12945-3-2022, страница 6 страница 6
  • ГОСТ ISO 12945-3-2022, страница 7 страница 7
  • ГОСТ ISO 12945-3-2022, страница 8 страница 8
  • ГОСТ ISO 12945-3-2022, страница 9 страница 9
  • ГОСТ ISO 12945-3-2022, страница 10 страница 10
  • ГОСТ ISO 12945-3-2022, страница 11 страница 11
  • ГОСТ ISO 12945-3-2022, страница 12 страница 12
  • ГОСТ ISO 12945-3-2022, страница 13 страница 13
  • ГОСТ ISO 12945-3-2022, страница 14 страница 14
  • ГОСТ ISO 12945-3-2022, страница 15 страница 15
  • ГОСТ ISO 12945-3-2022, страница 16 страница 16
  • ГОСТ ISO 12945-3-2022, страница 17 страница 17
  • ГОСТ ISO 12945-3-2022, страница 18 страница 18
  • ГОСТ ISO 12945-3-2022, страница 19 страница 19
  • ГОСТ ISO 12945-3-2022, страница 20 страница 20