ГОСТ 12.4.322-2024 Система стандартов безопасности труда. Средства индивидуальной защиты органов дыхания. Самоспасатель фильтрующий для защиты от монооксида углерода с загубником. Общие технические условия

Категории ГОСТ 12.4.322-2024 по ОКС:
Статус документа:
действует, введён в действие 01.06.2025
Название на английском языке:
Occupational safety standarts system. Filtering respiratory protective device. Self-rescuer filtering for protection against carbon monoxide with a mouthpiece assembly. General specifications
Дата актуализации информации по стандарту:
17.12.2025, в 14:36 (менее 3 месяцев назад)
Вид стандарта:
временно не известен
Дата начала действия ГОСТа:
2025-06-01
Дата последнего издания документа:
2024-06-07
Число страниц:
37
Назначение ГОСТ 12.4.322-2024:
Настоящий стандарт распространяется на фильт-рующие самоспасатели (далее - самоспасатели), предназначенные для защиты от монооксида углерода, и уста-навливает требования к противогазовому фильтру, при-меняемому в фильтрующих самоспасателях. В настоящий стандарт включены методы лабораторных и практи-ческих испытаний эксплуатационных свойств для оценки соответствия требованиям настоящего стандарта. Стандарт не распространяется на следующие типы СИЗОД: - пожарные; - военные; - медицинские; - авиационные; - дыхательные аппараты для аварийно-спасательных подземных работ; - для подводных работ
Документ разработан орг-ей:
Федеральное агентство по техническому регулированию и метрологии (Росстандарт)
Документ принят орг-ей:
Межгосударственный Совет по стандартизации метрологии и сертификации, протокол №172-П
Ключевые слова документа:
загубники, маркировка, методы испытаний, технические требования, фильтрующие самоспасатели

Скачать ГОСТ 12.4.322-2024 вы можете в следующих версиях:

Тип файла:
Дата добавления:
Загрузок:
Размер:
Тип файла:
PDF с изображениями
Добавлен:
21/11/2025 12:25
Скачиваний:
22
Размер файла:
9.74 Мб

Поправки и изменения к ГОСТ 12.4.322-2024:

  • Наименование, вид:
    Дата
    регистрации:
    начала действия:
  • Поправка к ГОСТ 12.4.322-2024

    Тип изменения: Поправка
    Номер изменения:
    Регистрационный номер: -

    2024-10-10
    2024-10-10
  • ГОСТ 12.4.322-2024, страница 1 страница 1
  • ГОСТ 12.4.322-2024, страница 2 страница 2
  • ГОСТ 12.4.322-2024, страница 3 страница 3
  • ГОСТ 12.4.322-2024, страница 4 страница 4
  • ГОСТ 12.4.322-2024, страница 5 страница 5
  • ГОСТ 12.4.322-2024, страница 6 страница 6
  • ГОСТ 12.4.322-2024, страница 7 страница 7
  • ГОСТ 12.4.322-2024, страница 8 страница 8
  • ГОСТ 12.4.322-2024, страница 9 страница 9
  • ГОСТ 12.4.322-2024, страница 10 страница 10
  • ГОСТ 12.4.322-2024, страница 11 страница 11
  • ГОСТ 12.4.322-2024, страница 12 страница 12
  • ГОСТ 12.4.322-2024, страница 13 страница 13
  • ГОСТ 12.4.322-2024, страница 14 страница 14
  • ГОСТ 12.4.322-2024, страница 15 страница 15
  • ГОСТ 12.4.322-2024, страница 16 страница 16
  • ГОСТ 12.4.322-2024, страница 17 страница 17
  • ГОСТ 12.4.322-2024, страница 18 страница 18
  • ГОСТ 12.4.322-2024, страница 19 страница 19
  • ГОСТ 12.4.322-2024, страница 20 страница 20
  • ГОСТ 12.4.322-2024, страница 21 страница 21
  • ГОСТ 12.4.322-2024, страница 22 страница 22
  • ГОСТ 12.4.322-2024, страница 23 страница 23
  • ГОСТ 12.4.322-2024, страница 24 страница 24
  • ГОСТ 12.4.322-2024, страница 25 страница 25
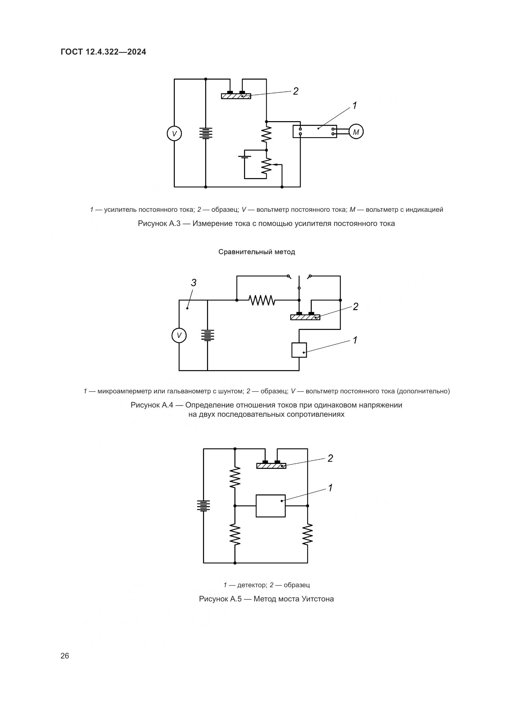
  • ГОСТ 12.4.322-2024, страница 26 страница 26
  • ГОСТ 12.4.322-2024, страница 27 страница 27
  • ГОСТ 12.4.322-2024, страница 28 страница 28
  • ГОСТ 12.4.322-2024, страница 29 страница 29
  • ГОСТ 12.4.322-2024, страница 30 страница 30
  • ГОСТ 12.4.322-2024, страница 31 страница 31
  • ГОСТ 12.4.322-2024, страница 32 страница 32
  • ГОСТ 12.4.322-2024, страница 33 страница 33
  • ГОСТ 12.4.322-2024, страница 34 страница 34
  • ГОСТ 12.4.322-2024, страница 35 страница 35
  • ГОСТ 12.4.322-2024, страница 36 страница 36
  • ГОСТ 12.4.322-2024, страница 37 страница 37